CozyWater 10L 12V 200W CARBEST
- Chauffe-eau électrique pour van
- Capacité : 10 L
- Montage : horizontal ou vertical
- Consommation moyenne : 200W 16A en 12V
- Thermostat intégré : 25 à 75 °C
- Pression de fonctionnement recommandée : 2,5 bar (max 3 bar)
- Raccords eau : 1/2 »
- Temps de chauffe : Environ 60 minutes selon température
- Soupape de sécurité intégrée
- Dimensions : Ø 270 mm, L 400 x H 290 mm
- Poids : 6,6 kg
- Garantie : 5 ans
199.00 € TTC
Précommandez-le (voir délai)
Informations produit
Description
- Chauffe-eau CozyWater 10 Litres 12V 200W CARBEST entièrement électrique
- Cuve de 10 litres avec le boiler CozyWater 10
- Fixation horizontale ou verticale du Carbest Chauffe-eau CozyWater 10L
- Thermostat ajustable de 25 à 75 °C avec le chauffe-eau 12 V CARBEST CozyWater 10
- Alimentation 12V 200W de puissance du Chauffe-eau CozyWater 10 Litres Carbest
- Valve de sécurité intégrée au Boiler CozyWater 10L 12V Carbest
- Hivernage ou arrêt prolongé du chauffe-eau CozyWater 10L Carbest
Vous rêvez de profiter d’une eau chaude sans contrainte lors de vos voyages en van ?
Équiper votre van d’un système de production d’eau chaude semble parfois technique et énergivore. Le CozyWater 10L 12V Carbest vous simplifie la vie.
Chauffe-eau CozyWater 10 Litres 12V 200W CARBEST entièrement électrique
Le CozyWater 10L Carbest constitue un système entièrement électrique qui produit de l’eau chaude directement depuis votre circuit 12V. Grâce à son thermostat embarqué, vous réglez précisément la température souhaitée et obtenez une eau parfaitement chaude selon vos besoins du moment.

Cuve de 10 litres avec le boiler CozyWater 10
Disposer d’une vraie capacité d’eau chaude transforme votre quotidien à bord : nettoyer vos ustensiles ou vous offrir une douche devient enfin confortable. Avec ses 10L de contenance, ce boiler convient parfaitement à 1 ou 2 personnes voyageant en fourgon aménagé.
La quantité réelle d’eau chaude exploitable s’avère optimale grâce à la température maximale de chauffe pouvant grimper jusqu’à 75°C. Cette chaleur importante autorise un mélange avec de l’eau froide, multipliant ainsi le volume total d’eau tempérée à votre disposition.
Concrètement :
- une douche express nécessite approximativement 6 à 10 litres d’eau chaude, en fonction de la température sélectionnée et du débit employé.
- pour nettoyer votre vaisselle, comptez environ 2 à 3 litres d’eau chaude par session, alors que pour cuisiner, la consommation oscille entre 1 et 2 litres par usage.
Infos Vancore :
Chaque utilisation varie selon le débit et la température, voici des estimations fiables :
- Douche rapide : 5 à 10L (en van, privilégiez 5 à 6L pour optimiser votre consommation)
- Vaisselle : 2 à 3L par nettoyage
- Cuisine : 1 à 2L par préparation
Ces valeurs restent indicatives et peuvent fluctuer selon vos pratiques et votre matériel.
Fixation horizontale ou verticale du Carbest Chauffe-eau CozyWater 10L
Chaque projet d’aménagement possède ses spécificités et pouvoir déterminer librement où positionner vos accessoires facilite considérablement votre conception. Le CozyWater s’installe indifféremment à l’horizontale ou à la verticale (branchements orientés vers le bas en montage vertical).
Fixez-le donc sur un support suffisamment solide, en utilisant des attaches adaptées (non comprises dans le pack). Sa structure garantit un maintien stable, même lorsque la cuve est pleine (pouvant atteindre 60 kg). Vous personnalisez ainsi le positionnement selon votre configuration et conservez le contrôle total de votre agencement.
Thermostat ajustable de 25 à 75 °C avec le chauffe-eau 12 V CARBEST CozyWater 10
Durant vos trajets, obtenir une eau à la température appropriée s’avère essentiel : suffisamment chaude pour une douche plaisante, mais modérée lorsqu’il s’agit simplement de laver quelques assiettes. Sans contrôle précis, vous perdez en confort et dilapidez de l’énergie inutilement.
Le CozyWater 10L Carbest vous offre la possibilité de définir la température, de 25 °C à 75 °C, via son thermostat intégré. Dès la mise en route, la résistance chauffante en acier inoxydable se déclenche puis s’interrompt de manière autonome pour stabiliser la chaleur sélectionnée, sans action supplémentaire de votre part.
La cuve inox isolée, assure une eau chaude. Un témoin lumineux rouge signale visuellement les phases de chauffe active.
Alimentation 12V 200W de puissance du Chauffe-eau CozyWater 10 Litres Carbest
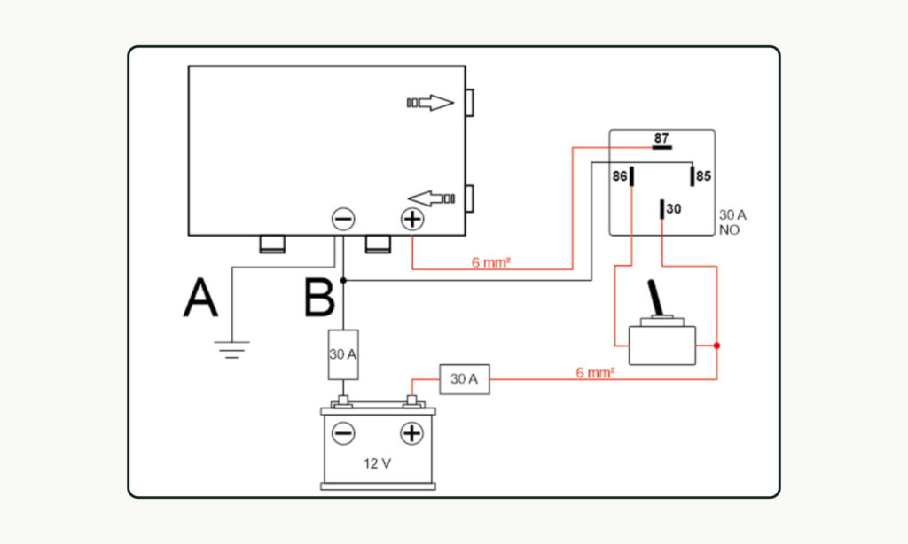
Le CozyWater 10L préserve vos batteries : avec sa consommation de 200 W, il demeure compatible et adapté aux installations en van. Pour établir un branchement 12V fiable et pérenne, l’utilisation d’un relais électromagnétique de 30A minimum est recommandée.
Sur une batterie de 100 Ah, il consomme uniquement 16 % pour produire l’eau chaude. Vous bénéficiez ainsi fréquemment d’eau chaude, sans sacrifier votre autonomie énergétique.
Concernant l’homologation VASP, le boiler CozyWater 10 fonctionne exclusivement à l’électricité, sans gaz ni diesel, et ne génère donc aucune émission de gaz de combustion.
Valve de sécurité intégrée au Boiler CozyWater 10L 12V Carbest
Une soupape de surpression accompagne le CozyWater 10L Carbest. Ce composant évacue automatiquement l’eau lorsque la pression devient excessive et simplifie la vidange totale de la cuve avant la période hivernale.
Hivernage ou arrêt prolongé du chauffe-eau CozyWater 10L Carbest
Pour préserver votre équipement en condition optimale même durant une longue interruption hivernale, vider le chauffe-eau devient impératif. En respectant ces instructions précises, vous éliminez tout risque lié aux températures négatives et garantissez la pérennité de votre matériel :
- Coupez l’alimentation électrique de la chaudière pour travailler en toute sécurité.
- Positionnez l’ensemble des robinets sur « chaud » et actionnez-les pour éliminer la pression du système.
- Actionnez la soupape de sécurité : basculez le levier en position verticale.
- Patientez pendant que l’eau s’évacue via le tuyau de vidange dédié, jusqu’à obtenir un réservoir totalement vide.
- Maintenez la soupape en position ouverte après vidange afin d’empêcher toute rétention d’eau résiduelle et préserver le chauffe-eau contre le gel.
Ce dispositif ne se contente pas d’assurer la vidange : il intègre trois protections fondamentales.
- Contre la surchauffe : un détecteur coupe automatiquement le chauffage lorsque l’eau franchit 80 °C.
- Contre la surpression : si l’eau froide excède 3 bars, la soupape libère l’excédent.
- Contre le fonctionnement à vide : si le réservoir se trouve privé d’eau, l’appareil se désactive pour protéger la résistance.
Schémas d’installation du Carbest boiler CozyWater 10
Montage du circuit d’eau dans le Chauffe-eau CozyWater 10L 12V

Connexion électrique du CozyWater 10L 12V

PDF Manuel d’utilisation du CozyWater CARBEST
Détails techniques Chauffe-eau CozyWater 10
- Tension : 12 V
- Puissance : 200 W (16 A)
- Capacité cuve : 10 L
- Matériau cuve : Acier inoxydable 304
- Protection minimale : 20 A
- Pression de service recommandée : 2,5 bar (3 bar max)
- Entrée/sortie eau : 1/2 »
- Thermostat intégré : 25 à 75 °C
- Temps de chauffe : Environ 60 min selon température choisie
- Dimensions : Ø 270 mm, L 400 x H 290 mm
- Montage : horizontal avec pattes acier
- Poids : 6,6 kg (à vide)
- Inclus : soupape de sécurité, tuyau d’évacuation, câble d’alimentation 1,2 m
- Contenu de la livraison
- Chauffe-eau CozyWater 10L CARBEST
- Soupape de sécurité avec tuyau d’évacuation
Informations complémentaires
| Poids | 6.5 kg |
|---|---|
| Dimensions | 35.0 × 35.0 × 48.0 cm |
| Marque | |
| Type de produit | Chauffe eau electrique |
| UGS | 670601 |
| GTIN | 4043729180901 |
| MPN | 670601 |
Vous aimerez peut-être aussi…
- Promo !Panneau Solaire Trina Solar 400WcLe prix initial était : 87.00 €.69.90 €Le prix actuel est : 69.90 €. TTC
- Batterie lithium 165Ah Power+ Antarion1169.00 € TTC
- Filtre UV-C OJI VAN 4L379.00 € TTC
Questions & Réponses
Seuls les clients connectés ayant acheté ce produit peuvent poser une question.
Baie projetable R-Swing 900 x 450
Cadre store et moustiquaire RW Motion 960 x 450
Osculati Tableau électrique WAVE 4 interrupteurs
Cadre store et moustiquaire RW Motion 500 x 450 










Avis
Seuls les clients connectés ayant acheté ce produit ont la possibilité de laisser un avis.
Il n’y a pas encore d’avis.