Relais électromagnétique 12V 40A
Relais électromagnétique 12V 40A pour van aménagé :
- Fonctionne en 12V jusqu’à 40A
- 4 broches
- Permet de commander un appareil puissant dans votre fourgon aménagé sans surcharger le tableau électrique
- Sépare le circuit de commande du circuit de puissance
- Évite les forts courants dans les interrupteurs ou boutons
- Prolonge la durée de vie de l’équipement
- Réduit le besoin de câbles de grosse section
3.50 € TTC
En stock
Informations produit
Description
Si votre fourgon aménagé est équipé d’un chauffe-eau, d’un système d’éclairage puissant type 4×4 ou de tout autre dispositif à forte consommation énergétique, optez pour ce relais 12V 40A afin de piloter ces éléments en toute sérénité, sans risquer de sursolliciter votre panneau de commande électrique.
Grâce à lui, vous dissociez efficacement le circuit de commande (interrupteur) de celui qui achemine la puissance élevée, préservant ainsi vos dispositifs de contrôle contre les dommages potentiels dus à un courant trop intense.
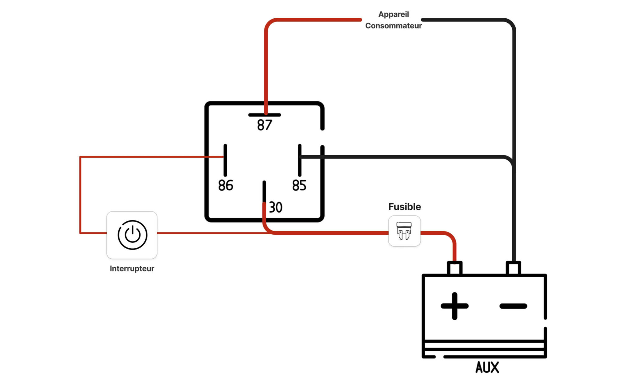
Relais 12V 40A 4 broches dans votre système électrique
Ce relais 12V 40A fonctionne tel un commutateur piloté par un courant modéré. Dès que vous activez votre interrupteur, un faible signal est transmis au relais, qui active alors un circuit distinct pour diriger le flux d’énergie important vers votre équipement (chauffe-eau, frigo, pompe, etc.).
Ce type d’installation vous apporte de nombreux avantages :
- Une sécurité accrue pour votre circuit électrique, en empêchant les courants élevés de traverser des interrupteurs non conçus pour cela.
- Une longévité étendue de votre panneau de distribution, épargné des surtensions soudaines.
- Une fiabilité optimale pour vos appareils sensibles, particulièrement utile lors de vos déplacements en fourgon.
De plus, en isolant l’alimentation de l’interrupteur, cette configuration minimise l’usage de câbles à section importante. Sans elle, il serait indispensable de recourir à des conducteurs épais sur l’ensemble du trajet jusqu’à l’interrupteur, une mesure souvent superflue car ces derniers ne sont pas prévus pour gérer des puissances élevées.

Caractéristiques techniques du relais 12V 40A 4 broches
- Tension de bobine nominale : 12V CC
- Courant maximal aux contacts : 40A
- Charge aux contacts CC @R (avec charge de résistance) : 40A / 12V CC
- Type de relais : pour applications automobiles
- Tension minimale de bobine : 9V CC
- Tension maximale de bobine : 18V CC
- Série produite par le fabricant : S10
- Résistance de la bobine : 80Ω
- Consommation électrique de la bobine : 1,8W
- Matériau des contacts : alliage à base d’argent
- Plage de température opérationnelle : -30/80°C
- Dimensions hors tout : 28,6×28,6×25,3mm
- Mode de fixation : sur support ou panneau
- Résistance des broches : 100mΩ
- Connexions : via connecteurs
- Endurance mécanique : 10000000 cycles
- Courant traversant la bobine : 150mA
- Délai de réponse : 10ms
- Délai de relâchement : 10ms
- Durée de vie en fonctionnement électrique : 100000 cycles
- Dimensions des bornes de sortie : 6,3×0,8mm
Informations complémentaires
| Poids | 0.1 kg |
|---|---|
| Dimensions | 2.86 × 2.86 × 2.53 cm |
| Marque | |
| Type de produit | Interrupteur |
| UGS | S10-1A-C1-12VDC |
| MPN | S10-1A-C1-12VDC |
Vous aimerez peut-être aussi…
- Interrupteur Rocker à LED rouge 12v2.50 € TTC
- Chauffe-eau Pundmann 3L 180W 12V285.00 € TTC
- Batterie Lithium 150A Compact Energie Mobile589.00 € TTC
Questions & Réponses
Seuls les clients connectés ayant acheté ce produit peuvent poser une question.











Avis
Seuls les clients connectés ayant acheté ce produit ont la possibilité de laisser un avis.
Il n’y a pas encore d’avis.